昌江区政府网
|
市政府门户网站
|
网站无障碍
|
关怀版
当前位置:
首页
>
政务公开
>
法定主动公开内容
>
住房保障
>
农村危房改造
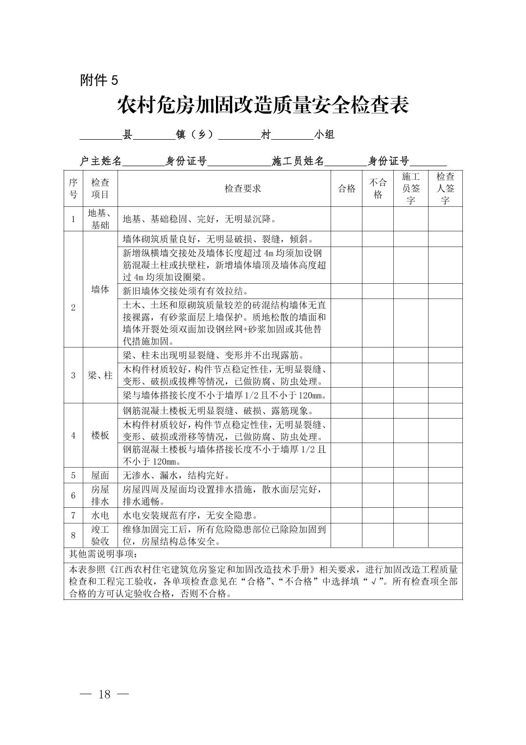
关于印发《昌江区2022年农村危房改造实施方案》的通知
公开方式:
主动公开
有效期:
长期有效
公开时限:
长期公开
公开范围:
面向全社会
信息索取号:
736355488/2022-66275
发布时间:
2022-08-24
相关文档:
相关附件:
访问量:
863884
关于印发《昌江区2022年农村危房改造实施方案》的通知
20
2022-08-24
1571
农村危房改造